Việc đọc và hiểu sơ đồ tủ lạnh Electrolux là bước vô cùng quan trọng giúp bạn dễ dàng xác định vấn đề và xử lý kịp thời. Bài viết này sẽ hướng dẫn bạn cách đọc sơ đồ tủ lạnh Electrolux một cách chi tiết, giúp bạn hiểu rõ thiết bị trong quá trình sử dụng.
Mục lục
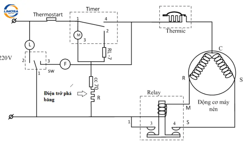
1. Các thành phần chính trên sơ đồ tủ lạnh Electrolux
Trước khi đi vào chi tiết cách đọc sơ đồ, bạn cần làm quen với các bộ phận thường có trong sơ đồ tủ lạnh Electrolux:
- Bo mạch điều khiển (Mainboard): Đây là trung tâm xử lý tín hiệu và điều khiển các linh kiện khác trong tủ lạnh.
- Block máy nén (Compressor): Quản lý việc nén gas lạnh giúp làm mát tủ.
- Thermostat (Cảm biến nhiệt độ): Kiểm soát nhiệt độ bên trong tủ để duy trì mức lạnh ổn định.
- Quạt gió (Fan): Hỗ trợ lưu thông khí lạnh đều trong các ngăn.
- Van tiết lưu (Capillary tube hoặc Expansion valve): Giúp điều tiết lượng gas lạnh.
- Đèn LED hiển thị: Thể hiện trạng thái hoạt động và cảnh báo lỗi.
- Cầu chì (Fuse): Bảo vệ linh kiện tránh quá dòng, chập cháy.
- Rơ-le ngắt (Relay): Dùng để ngắt/mở mạch điện khi cần thiết.
- Dây điện và kết nối: Thể hiện đường đi của dòng điện trong cấu hình tủ.

2. Cách đọc sơ đồ tủ lạnh Electrolux từng bước đơn giản
Để nắm rõ nguyên lý hoạt động của tủ lạnh, việc biết cách đọc sơ đồ tủ lạnh Electrolux là vô cùng cần thiết. Với các bước đơn giản, bạn có thể dễ dàng hiểu được vị trí, chức năng của từng bộ phận, từ đó thuận tiện hơn trong việc sử dụng và sửa chữa.
2.1. Hiểu ký hiệu và biểu tượng trên sơ đồ
Trên bất kỳ sơ đồ điện nào, ký hiệu là “ngôn ngữ” chính giúp bạn hiểu chức năng của linh kiện. Một số biểu tượng phổ biến:
- Hình vuông, chữ nhật đại diện cho bo mạch hoặc các module.
- Hình tròn hoặc ô van thể hiện các công tắc, rơ-le.
- Đường thẳng thể hiện dây điện, với màu sắc hoặc ký hiệu chỉ loại dây (dây nóng, trung tính, mass).
- Biểu tượng Block máy nén thường là hình chữ nhật có dấu hiệu máy nén bên trong.
- Các cảm biến hoặc công tắc sẽ có ký hiệu đặc biệt kèm theo số hiệu hoặc mã linh kiện.
Nắm được các ký hiệu này sẽ giúp bạn dễ dàng theo dõi hoạt động của từng bộ phận.
2.2. Xác định lỗi dựa vào tín hiệu đèn báo và lỗi trên sơ đồ
Tủ lạnh Electrolux thường có hệ thống phát hiện lỗi tự động, thể hiện qua đèn LED hoặc mã lỗi trên bảng điều khiển. Khi có sự cố, bạn cần:
- Đọc mã lỗi dựa trên hướng dẫn sử dụng.
- Đối chiếu với sơ đồ để xác định linh kiện hoặc mạch điện có vấn đề.
- Kiểm tra các kết nối, cầu chì hoặc rơ-le liên quan.
Ví dụ: nếu đèn báo nhiệt độ bật liên tục, bạn cần theo dõi đường dây và cảm biến nhiệt trên sơ đồ xem có dấu hiệu đứt hoặc hỏng hay không.
2.3. Theo dõi đường đi của nguồn điện qua sơ đồ
Bắt đầu từ nguồn vào (thường là ổ cắm hoặc cầu dao chính), bạn hãy lần theo dây dẫn đến từng thiết bị. Việc này cần chú ý:
- Dây nguồn chính kết nối tới bo mạch điều khiển.
- Bo mạch phát tín hiệu ra cho block máy nén và quạt gió.
- Các cảm biến nhiệt và công tắc cần được kết nối ngắt/mở chính xác để điều chỉnh nhiệt độ.
- Đường dây bảo vệ như cầu chì và rơ-le cũng phải có kết nối hoàn chỉnh.
- Theo dõi kỹ lưỡng từng bước sẽ phát hiện nhanh điểm đứt đoạn hoặc cháy chập.
2.4. Hiểu nguyên lý hoạt động của tủ lạnh qua sơ đồ
Tủ lạnh Electrolux hoạt động dựa trên chu trình làm lạnh khép kín:
- Block máy nén điều khiển hơi gas lạnh chạy trong hệ thống.
- Gas lạnh đi qua van tiết lưu, làm giảm áp suất và nhiệt độ.
- Quạt gió thổi gió lạnh tản đều trong các ngăn.
- Bo mạch điều khiển dựa trên cảm biến nhiệt để bật/tắt block và quạt khi cần thiết.
- Các rơ-le và cầu chì đảm bảo an toàn cho toàn bộ hệ thống.
Việc nắm được nguyên lý này sẽ giúp bạn hiểu rõ hơn cách sơ đồ thể hiện mối liên kết các bộ phận.

3. Cách sửa chữa mạch điện tủ lạnh Electrolux
Mạch điện đóng vai trò trung tâm trong hoạt động của tủ lạnh. Khi xảy ra sự cố, việc hiểu và áp dụng đúng cách sửa chữa mạch điện tủ lạnh Electrolux sẽ giúp thiết bị hoạt động ổn định trở lại.
Bước 1: Xác định sự cố ban đầu
Trước hết, hãy quan sát tủ lạnh xem có dấu hiệu như không lên điện, không sáng đèn hay máy nén không chạy. Xác định rõ triệu chứng sẽ giúp bạn khoanh vùng nguyên nhân chính xác hơn trước khi kiểm tra sâu về mạch điện.
Bước 2: Kiểm tra nguồn điện cấp cho tủ
Đảm bảo phích cắm đã cắm chắc và ổ điện hoạt động bình thường, có thể thử bằng cách cắm thiết bị khác vào cùng ổ để kiểm tra. Nếu nguồn điện gặp vấn đề, tủ lạnh sẽ không nhận điện, nên cần xử lý trước khi vào sửa mạch.
Bước 3: Kiểm tra dây điện và cầu chì
Quan sát toàn bộ dây dẫn từ nguồn đến bên trong tủ để phát hiện dấu hiệu đứt, cháy hay hở mạch. Đồng thời tháo cầu chì ra kiểm tra xem có bị nổ không, cầu chì bị đứt cần thay thế ngay để bảo vệ mạch điện.
Bước 4: Kiểm tra rơ-le và mạch điều khiển tín hiệu
Sử dụng đồng hồ vạn năng để đo điện trở và phát hiện rơ-le bị chết hoặc hỏng. Bo mạch điều khiển cũng cần được kiểm tra các linh kiện như tụ điện, diode, transistor có dấu hiệu chập cháy hay hỏng hóc để kịp thời xử lý.
Bước 5: Sửa chữa hoặc thay thế linh kiện bị hỏng
Khi phát hiện linh kiện nào hỏng, cần tháo ra và thay thế bằng linh kiện tương thích chất lượng tốt. Lưu ý thao tác hàn mạch phải chắc chắn, đảm bảo không bị ngắn mạch hoặc lỏng linh kiện.
Bước 6: Đo và kiểm tra lại trước khi cấp điện
Trước khi lắp lại hoàn chỉnh, hãy kiểm tra toàn bộ mạch bằng đồng hồ vạn năng để đảm bảo không còn chập mạch hoặc đứt đường điện. Việc này giúp phòng tránh hư hại hoặc cháy nổ sau khi bật tủ.
Bước 7: Vận hành thử và quan sát hoạt động tủ
Sau khi lắp hoàn tất, cắm điện và bật tủ để theo dõi hoạt động của các bộ phận như đèn, quạt, block máy nén có hoạt động bình thường không. Nếu tủ vẫn có dấu hiệu bất thường, cần kiểm tra lại hoặc đưa cho chuyên gia xử lý.

4. Kinh nghiệm bảo dưỡng tủ lạnh Electrolux
Bảo dưỡng định kỳ là chìa khóa để kéo dài tuổi thọ và giữ hiệu suất làm lạnh tối ưu. Những kinh nghiệm bảo dưỡng tủ lạnh Electrolux dưới đây sẽ giúp bạn duy trì thiết bị luôn hoạt động trơn tru, hạn chế hư hỏng và tiết kiệm điện năng.
- Luôn ngắt điện tủ lạnh trước khi vệ sinh hoặc bảo dưỡng để đảm bảo an toàn tuyệt đối khi sử dụng
- Vệ sinh sạch sẽ bên trong tủ, tháo rời các khay, ngăn để rửa bằng nước ấm pha dung dịch tẩy rửa nhẹ, đồng thời dùng giấm hoặc baking soda pha loãng để khử mùi và diệt khuẩn.
- Lau chùi bề mặt ngoài tủ bằng khăn mềm, tránh dùng chất tẩy mạnh hoặc vật cứng làm trầy xước bề mặt, đặc biệt với tủ có lớp vỏ thép không gỉ.
- Kiểm tra và vệ sinh ron cửa tủ thường xuyên, vì ron bị hư hoặc rách sẽ gây thoát khí lạnh, làm tủ lạnh tốn điện và giảm tuổi thọ.
- Vệ sinh định kỳ giàn lạnh và giàn nóng phía sau tủ để loại bỏ bụi bẩn, giúp tản nhiệt hiệu quả và giảm tải cho block máy nén.
- Thường xuyên kiểm tra các bộ phận điện như quạt gió, block máy nén; nếu phát hiện tiếng kêu lạ hoặc rung động bất thường cần xử lý sớm.
- Đặt tủ lạnh ở nơi thông thoáng, tránh đặt sát tường để giúp tản nhiệt tốt hơn, đồng thời sắp xếp thực phẩm khoa học, không quá đầy để khí lạnh lưu thông đều.
- Sử dụng ổn áp điện nếu nguồn điện trong nhà không ổn định để bảo vệ linh kiện điện tử bên trong tủ tránh hư hỏng do điện áp quá cao hoặc thấp.

5. Câu hỏi thường gặp về sơ đồ tủ lạnh Electrolux
Trong quá trình tìm hiểu và sử dụng, nhiều người thường thắc mắc về sơ đồ tủ lạnh Electrolux, dưới đây là giải đáp cho những câu hỏi thường gặp:
1. Làm sao để biết sơ đồ tủ lạnh Electrolux phù hợp với model mình dùng?
Bạn có thể xem mã model trên thân tủ lạnh và tìm sơ đồ kỹ thuật trên trang hỗ trợ chính hãng Electrolux hoặc trong sách hướng dẫn sử dụng đi kèm.
2. Có bắt buộc phải có sơ đồ mới sửa được tủ lạnh không?
Không nhất thiết, nhưng sơ đồ giúp bạn nhanh chóng tìm ra nguyên nhân và xử lý đúng cách, tránh hư hại thêm.
3. Tủ lạnh không lên điện, có thể kiểm tra sơ đồ để biết lỗi?
Có, bạn theo dõi nguồn điện vào máy, cầu chì, rơ-le trên sơ đồ để xác định điểm bị ngắt điện.
4. Làm sao để bảo trì tủ lạnh Electrolux đúng cách qua sơ đồ?
Bạn nên kiểm tra định kỳ các linh kiện trên sơ đồ như block, cảm biến, quạt gió và các điểm nối dây để phát hiện dấu hiệu hư hỏng sớm.

Hy vọng bài viết trên sẽ giúp bạn hiểu rõ về cách đọc sơ đồ tủ lạnh Electrolux. Nếu gặp bất kỳ sự cố nào khi sử dụng tủ lạnh, hãy để Điện lạnh Limosa hỗ trợ. Liên hệ ngay Điện lạnh Limosa qua HOTLINE 0342 273 135 để được tư vấn và đặt lịch sửa chữa nhanh chóng hôm nay!









